HDI廠之這幾個基礎模塊電路,你能看懂嗎?
HDI廠先來考考大家~
下面的五副電路圖,你能看懂幾個?

TDA2030電路圖

34063電路圖
.png)
555電路

TDA2030電路圖

三極管分立元件電路
以上這些電路圖,如果你能夠看懂,那說明已經入門電子設計了。但如果還沒看懂,接下來,開始學習這些基礎模塊電路。
01電源電路
直流穩壓電源是電子設備的能源電路,關系到整個電路設計的穩定性和可靠性,是電路設計中非常關鍵的一個環節。本節重點介紹三端固定式(正、負壓)集成穩壓器、三端可調式(正、負壓)集成穩壓器以及 DC-DC 電路等組成的典型電路設計。

電源處理框圖
整流電路的作用是將交流電壓 U1變換成脈動的直流 U2,它主要有半波整流、全波整流方式,可以由整流二極管構成整流橋堆來執行,常見的整流二極管有 IN4007、 IN5148 等,橋堆有 RS210 等。濾波電路作用是將脈動直流 U2濾除紋波,變成紋波小的 U3,常見的電路2有 RC 濾波、 KL 濾波、∏型濾波等,常用的選 RC 濾波電路。

集中整流形式
實際應用電路中,芯片輸入端和輸出端與地之間除分別接大容量濾波電容外,通常還需在芯片引出腳根部接小容量( 0.1µF~10µF)電容 Ci、 Co 到地。Ci 用于抑制芯片自激振蕩, Co 用于壓窄芯片的高頻帶寬,減小高頻噪聲。Ci 和 Co 的具體取值應隨芯片輸出電壓高低及應用電路的方式不同而異。

78 系列三端穩壓器基本應用電路
02運算放大器電路
運算放大器一般可分為通用型、精密型、低噪聲型、高速型、低電壓低功率型、單電源型等幾種。表示運算放大器性能的參數有:單/雙電源工作電壓、電源電流、輸入失調電壓、輸入失調電流、輸入電阻、轉換速率、差模輸入電阻、失調電流溫漂、輸入偏置電流、偏置電流溫漂、差模電壓增益、共模電壓增益、單位增益帶寬、電源電壓抑制、差模輸入電壓范圍、共模輸入電壓范圍、輸入噪聲電壓、輸入噪聲電流、失調電壓溫漂、建立時間、長時間漂移等。

同相輸入比例運算電路

反相輸入比例求和電路

差動放大電路
03信號產生電路
在各種電子設計制作過程中,需要產生各種波形,如矩形波,正弦波,三角波,單脈沖波等。產生的方法主要利用運算放大器或專用模擬集成電路,配以少量的外接元件可以構成各種類型的信號發生器。

分立模擬電路構成矩形波產生電路

自激式的等效電感振蕩器
04信號處理電路
指紋識別軟硬結合板廠了解到,信號處理電路主要利用集成運算放大器或專用模擬集成電路, 配以少量的外接元件可以構成各種功能的處理電路。主要功能有信號放大、信號濾波、阻抗匹配、電平變換、非線性補償、電流/電壓轉換、電壓/頻率轉換等。

運放組成的有源低通濾波器

聲音報警電路
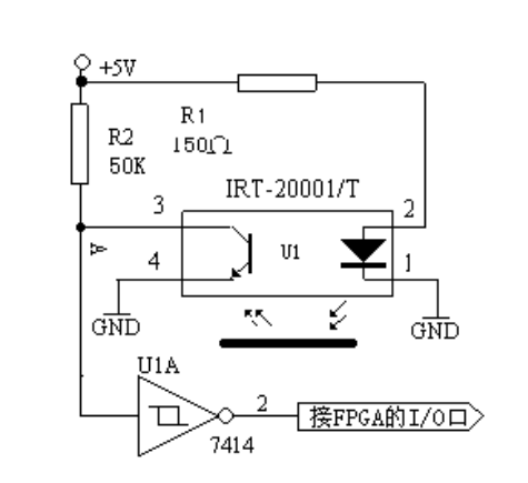
05傳感器及其應用電路
傳感器是能感受(或響應)規定的被測物理量,并按照一定規律轉換成可用信號輸出的器件或裝置。傳感器通常由直接響應于被測量的敏感元件和產生可用信號輸出的轉換元件以及相應的電子電路所組成。

霍爾傳感器基本應用

光電檢測電路
06顯示電路
LED( Light Emitting Diode 發光二極管)顯示器是由發光二極管構成的最為常用的顯示器件。數字 LED 顯示器利用7個發光二極管顯示數字,通常被稱為七段 LED 顯示器、或者數碼管。另外, 數碼管中還有一個圓點型發光二極管, 用于顯示小數點。

LED顯示器內部結構
LCD現實原理,在外加電場的作用下, 液晶顯示器件的具有偶極矩的液晶棒狀分子在排列狀態上發生變化,使得通過液晶顯示器件的光被調制,從而呈現明與暗或透過與不透過的顯示效果。
下面汽車雷達線路板廠介紹 FPGA 驅動點陣字符型液晶顯示模塊(MDLS)的方法與程序。

液晶顯示模塊電路方框圖
ps:部分圖片來源于網絡,如有侵權,請聯系我們刪除
最新產品
通訊手機HDI
-

-
型號:GHS08K03479A0
階數:8層二階
板材:EM825
板厚:0.8mm
尺寸:144.08mm*101mm
最小線寬:0.075mm
最小線距:0.075mm
最小孔徑:0.1mm
表面處理:沉金+OSP
通訊手機HDI
-

-
型號:GHS06C03294A0
階數:6層二階
板材:EM825
板厚:1.0mm
尺寸:92mm*118mm
最小線寬:0.075mm
最小線距:0.075mm
最小孔徑:0.1mm
表面處理:沉金
通訊模塊HDI
-

-
型號:GHS04K03404A0
階數:4層一階+半孔
板材:EM825
板厚:0.6mm
尺寸:94.00*59.59mm
最小線寬:0.076mm
最小線距:0.076mm
最小孔徑:0.1mm
表面處理:沉金+OSP
5G模塊PCB
P1.5顯示屏HDI
-

-
型號:GHS04C03605A0
層數:4層一階
所用板材:EM825
板厚:1.6mm
尺寸:24mm*116mm
最小盲孔:0.1mm
最小埋孔:0.2mm
最小線寬:0.13mm
最小線距:0.097mm
表面處理:沉金
外形公差:+0.05/-0.15mm(板內無定位孔)
特殊要求:燈窩間距:P1.5
P2.571顯示屏HDI
-

-
型號:GHS04C03429A0
階層:4層一階
板材:EM825
板厚:1.6mm
尺寸:215.85mm*287.85mm
最小盲孔:0.1mm
最小埋孔:0.2mm
最小線寬:0.152mm
最小線距:0.152mm
表面處理:沉金
外形公差:+/-0.15mm(板內無定位孔)
特殊要求:控深鉆帽子電鍍間距:P2.571
P1.9顯示屏HDI
-

-
型號:GHM08C03113A0
階層:8層一階
板材:EM825
板厚:1.6mm
尺寸:239.9mm*239.9mm
最小盲孔:0.1mm
最小埋孔:0.2mm
最小線寬:0.127mm
最小線距:0.127mm
表面處理:沉金
外形公差:+0.05/-0.15mm(板內無定位孔)
特殊要求:控深鉆間距:P1.9
P1.923顯示屏HDI
同類文章排行
- 2017年度中國電子電路板PCB百強企業排行榜
- 2017全球PCB制造企業百強排行榜
- 2014年線路板廠綜合排名——你必須知道!
- 世界頂級電路板廠商排行榜
- HDI廠之2015全球百大PCB企業榜單出爐,中國大陸PCB企業占34家!
- HDI PCB的應用及其優勢
- 看4G與5G基站電路板需求對比
- 實拍贛州深聯線路板廠生產車間,PCB全流程驚艷你的視野
- 2018年電路板行業原材料漲價潮又要開始了
- 電路板廠教你快速識別PCB綠色產品標識
最新資訊文章
- HDI 板行業趨勢洞察:未來之路在何方?
- 一個卓越的電路板廠需要具備哪些關鍵條件?
- PCB 廠憑啥能成為電子產業的 “幕后英雄” ?
- 未來 PCB 將迎來哪些顛覆性突破?
- 綠色環保趨勢下,汽車軟硬結合板材料如何革新?
- PCB 行業未來十年,將迎來哪些顛覆性變革?
- 智能化浪潮下,汽車軟硬結合板如何賦能智能駕駛?
- 未來電路板會在物聯網應用中有何新突破?
- 軟硬結合板憑什么在汽車電子中備受青睞?
- 手機無線充線路板的未來發展方向在哪?







共-條評論【我要評論】